產品描述:
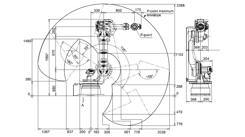
安川電機弧焊機器人MC2000Ⅱ適用于高精度3D激光加工等用途 提高機械臂剛性,且通過大功率伺服電機提高動作靈活應對力,達到高速的直線軌跡精度以及高精度圓度軌跡。6軸垂直多關節,負載:50Kg,動態范圍:2038mm,控制柜:DX200,用途:弧焊、激光加工、搬運、其他。

產品特點:
安川電機弧焊機器人MC2000Ⅱ高速、高軌跡精度,機械臂大負載達50KG,在大負載范圍內可以對應各種各樣的激光加工方式,激光振蕩器的高度匹配性。穩定和提高焊接質量,保證其均一性,提高生產率,一天可24小時連續生產,改善工人勞動條件,可在有害環境下長期工作,降低對工人操作技術的要求;縮短產品改型換代的周期,減少相應的設備;可實現批量產品焊接自動化;節省地面空間;弧焊機器人廣泛應用于電力行業、電氣行業、機械制造行業、汽車行業、五金行業、電子行業、造船行業、輕工機械行業。

產品參數
|
機器人型號 |
MC2000Ⅱ |
VA1400Ⅱ |
|
|
適用控制柜 |
DX200 |
||
|
設置*1 |
F |
F.W.C |
|
|
自由度 |
6 |
7 |
|
|
可搬質量 |
50kg*4 |
3kg |
|
|
垂直伸長度 |
3161mm |
2475mm |
|
|
水平伸長度 |
2038mm |
1434mm |
|
|
重復定位精度*2 |
±0.07mm |
+0.08mm |
|
|
動作范圍 |
S軸(旋轉) |
-180° ~ +180° |
-170° ~ +170° |
|
L軸(下臂) |
-90° ~ +135° |
-70° ~ +148° |
|
|
E軸(肘) |
- |
-90° ~ +90° |
|
|
U軸(上臂) |
-158° ~ +235° |
-175° ~ +150° |
|
|
R軸(手腕旋轉) |
-360° ~ +360° |
-150° ~ +150° |
|
|
B軸(手腕擺動) |
-125° ~ +125° |
-45° ~ +180° |
|
|
T軸(手腕回轉) |
-360° ~ +360° |
-200° ~ +200° |
|
|
大速度 |
S軸(旋轉) |
150°/s |
220°/s |
|
L軸(下臂) |
150°/s |
200°/s |
|
|
E軸(肘) |
- |
220°/s |
|
|
U軸(上臂) |
150°/s |
220°/s |
|
|
R軸(手腕旋轉) |
250°/s |
410°/s |
|
|
B軸(手腕擺動) |
250°/s |
410°/s |
|
|
T軸(手腕回轉) |
250°/s |
610°/s |
|
|
容許力矩 |
R軸(手腕旋轉) |
110N.m |
8.8N.m |
|
B軸(手腕擺動) |
110N.m |
8.8N.m |
|
|
T軸(手腕回轉) |
55N.m |
2.9N.m |
|
|
容許慣性力矩 |
R軸(手腕旋轉) |
7.0kg.m2 |
0.27kg.m2 |
|
B軸(手腕擺動) |
7.0kg.m2 |
0.27kg.m2 |
|
|
T軸(手腕回轉) |
1.0kg.m2 |
0.03kg.m2 |
|
|
本體質量 |
845kg |
150kg |
|
|
電源容量*3 |
3.5kVA |
1.5kVA |
|







簡繁切換